Sen tắm cây Inax BFV-71S

Inax
14,930,000₫ 19,136,000₫ ( -22% )
Số lượng
Liên hệ tư vấn và đặt hàng: 0836183226
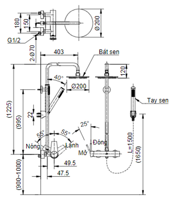
Sen tắm nóng lạnh với phong cách thiết kế mạnh mẽ. Sen cây với thiết kế tay gạt dễ dàng sử dụng, cảm giác gạt trơn tru, dễ điều khiển lượng nước, tay sen gọn nhẹ cho người ưa thích sự tối giản. Bát sen gọn gàng cho làn nước ấm áp phủ đều lên da. Chất liệu đồng mạ niken crom tăng tuổi thọ cho sản phẩm, van nước bền bỉ, tuổi thọ lâu dài. - Áp lực nước : 0.05 MPa ~ 0.75 MPa. - Van điều khiển bằng ceramic có độ bền cao. Kết cấu bên trong vững vàng. Thương hiệu: thiết bị vệ sinh INAX. Công nghệ: Nhật Bản. Sản xuất tại Việt Nam.
popup

Số lượng:

Tổng tiền: