Bộ cầu 01 khối American Standard VF-1808TSW Nắp Rửa Cơ M4A839

American Standard
7,209,000₫ 13,000,000₫ ( -45% )
Số lượng
Liên hệ tư vấn và đặt hàng: 0836183226
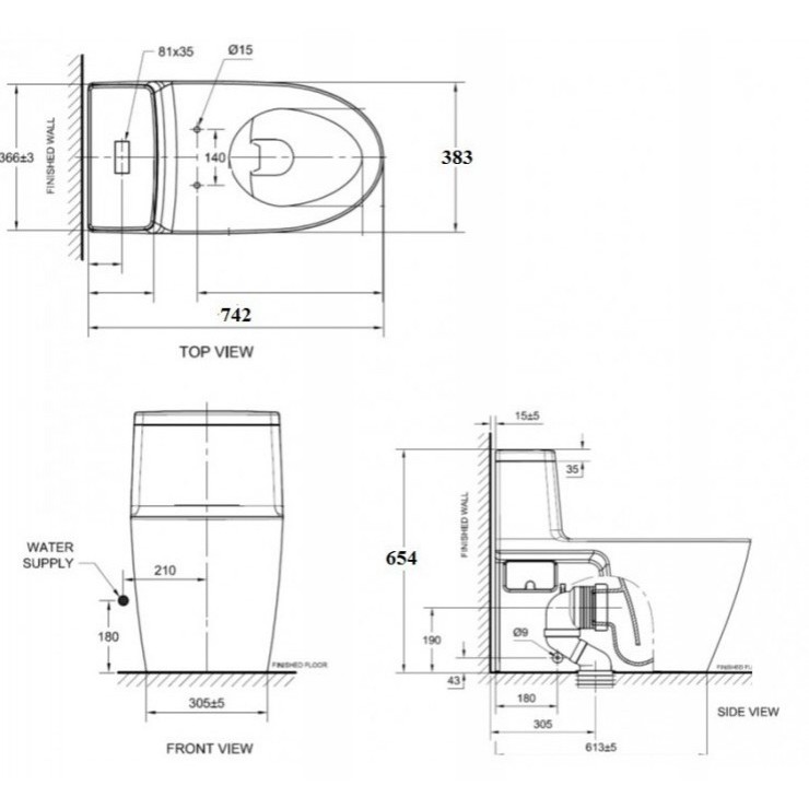
Kích Thước: 742x383x654mm Nắp đóng êm . Công nghệ Men sứ: Aqua Ceramic, ComfortClean. Kiểu Xả: Xả xoáy kết hợp tia đẩy. Chế Độ Xả: 2 Chế Độ Xả. Dung Tích Xả: 3L/4,5L. Tâm Xả: 305 mm. Kiểu Dáng: Thân Cầu Dài (460 ~ 470cm). Màu Sắc: Trắng. Thiết Kế Ống Xả: Trap Âm. Dạng Ống Xả: S-trap. Công nghệ: Mỹ. Hãng SX: American Standard, Việt Nam. Bảo hành: 2 năm. VF1808TSW gồm có: Thân cầu: VF-1808NO. Nắp rửa cơ: M4A839. Van giảm áp: M19012. Co nối: CN511P900KL808
popup

Số lượng:

Tổng tiền: