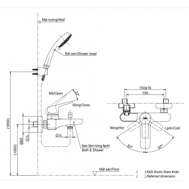
Vòi sen tắm Toto TBG04302VA/TBW02005A

TOTO
5,580,000₫ 6,900,000₫ ( -19% )
Số lượng
Liên hệ tư vấn và đặt hàng: 0836183226
Bát sen mạ Nickel Chrome bền vững với thời gian. Thân van bằng đồng thau. Van đĩa bằng sứ siêu bền, chống bám cặn bẩn giúp đóng kín nước hoàn toàn. Áp lực nước: 0.05MPa ~ 0.75MPa. Đầu vòi và sen tạo bọt nano, có chức năng xả êm, phun chụm tia, ứng dụng công nghệ triệt âm. Thương hiệu: Toto Nhật Bản. Sản xuất tại Việt Nam.
popup

Số lượng:

Tổng tiền: